键盘中国

 找回密码
 注册

QQ登录

只需一步,快速开始

扫码快捷登录

搜索
baidu
查看: 2125|回复: 7

[硬件] 有没有音箱和硬音源共用一组锂电池出现干扰的?

[复制链接]
发表于 2016-4-6 18:26 | 显示全部楼层 |阅读模式

马上登陆,参与交流。无法注册或登陆请加QQ群:777694204 或Email:admin@cnkeyboard.net

您需要 登录 才可以下载或查看,没有帐号?注册

x
我想户外使用音箱和硬音源时共用一组锂电池供电,但是音箱出嗡嗡的干扰声。音箱和音频信号线没有问题,分别供电就很好,所以只能各自独立配置电池,不知各位是否也遇到过这种问题。
温馨提示: 发帖标题请概括内容,回帖请勿使用无意义字符或纯表情。积极参与发帖回帖交流能提高会员等级(提升下载权限)
回复

使用道具 举报

发表于 2016-4-6 19:50 | 显示全部楼层
估计是电压波动造成的。再买一个给音源单独用应该可以解决问题。
温馨提示: 发帖标题请概括内容,回帖请勿使用无意义字符或纯表情。积极参与发帖回帖交流能提高会员等级(提升下载权限)
回复

使用道具 举报

发表于 2016-4-7 10:11 | 显示全部楼层
要看音响功放供电是什么形式的,如果功放是电池经升压电路供电的,音源和音箱不能用一个锂电池供电,因为音源与功放的GND不是一个参考点,会有很大的嗡嗡声。罗兰音源BK-7M电源极性相反一组电池供电也不行。
温馨提示: 发帖标题请概括内容,回帖请勿使用无意义字符或纯表情。积极参与发帖回帖交流能提高会员等级(提升下载权限)
回复

使用道具 举报

发表于 2016-4-7 11:15 | 显示全部楼层
我也遇到类似问题。我一个24V锂电池直接给功放供电,同时这电池接到一降压模块,降到16V给我的S910户外用,但有嗡嗡和嘶嘶混合的噪音从功放音箱里出来。按说这是共地的,理论上应该是没问题的,实际上却行不通,不知问题出在哪?我后来也2块电池分别供电来玩的。
温馨提示: 发帖标题请概括内容,回帖请勿使用无意义字符或纯表情。积极参与发帖回帖交流能提高会员等级(提升下载权限)
回复

使用道具 举报

发表于 2016-4-7 12:25 | 显示全部楼层
本帖最后由 方论 于 2016-4-7 13:04 编辑
hbjmxq1963 发表于 2016-4-7 11:15
我也遇到类似问题。我一个24V锂电池直接给功放供电,同时这电池接到一降压模块,降到16V给我的S910户外用, ...


如果降压模块是开关电源,就是带铁氧体开关变压器的那种,可能也不是公地,即使共地,S910的接地点在电池负极也是不合理的,应该取自功放的前置放大级地,即输入端的地。另外音箱24V供电一般不会用升压电路,有的功放电路要求正负电源供电,有音箱是把两个12v电瓶串联中心点为地,这样形成+12V、地、-12V,这样电瓶串联中心是功放的地,S910的地接到电池负极,就不能说是共地,可以通过用万用表测电池负极与音频输入插孔的地,应该有12V电位差。
温馨提示: 发帖标题请概括内容,回帖请勿使用无意义字符或纯表情。积极参与发帖回帖交流能提高会员等级(提升下载权限)
回复

使用道具 举报

 楼主| 发表于 2016-4-7 13:17 | 显示全部楼层
我的音箱是12V,音源是9v,12v经三端稳压块降到9v后,给音源供电,音源一开就嘟噜起来,好像是音源的震荡电路产生的干扰,不接信号线就有干扰了。
为了试验是否因为是降压电路产生的共地端不一致,我用12v直接并联给音源,音源开机过程中还有嘟噜声,但开机完成后就没有了,但是接上信号线就开始嗡嗡了。
所以最后还是两块电池分别供电了,一切就都正常了,本来想用一块电池共用,可以简化一些,看来这问题不好解决。
温馨提示: 发帖标题请概括内容,回帖请勿使用无意义字符或纯表情。积极参与发帖回帖交流能提高会员等级(提升下载权限)
回复

使用道具 举报

发表于 2016-4-7 21:09 | 显示全部楼层
方论 发表于 2016-4-7 12:25
如果降压模块是开关电源,就是带铁氧体开关变压器的那种,可能也不是公地,即使共地,S910的接地点在电 ...

非常谢谢大侠的技术指导!
我用典型模拟电路,LM317加放大管和功率管组成了扩流电路,同上述开关降压模块一样接,功放喇叭同样也有噪音,但该噪音中,嘶嘶的成分少一些,但依然还是不能实用化。
两种方案都有噪声,那有可能是你说的共地问题。
请你再绘一张简图示意一下可否?我也是电子电工,不过没你精通。
温馨提示: 发帖标题请概括内容,回帖请勿使用无意义字符或纯表情。积极参与发帖回帖交流能提高会员等级(提升下载权限)
回复

使用道具 举报

发表于 2016-4-8 12:26 | 显示全部楼层
本帖最后由 方论 于 2016-4-8 12:37 编辑
hbjmxq1963 发表于 2016-4-7 21:09
非常谢谢大侠的技术指导!
我用典型模拟电路,LM317加放大管和功率管组成了扩流电路,同上述开关降压模 ...


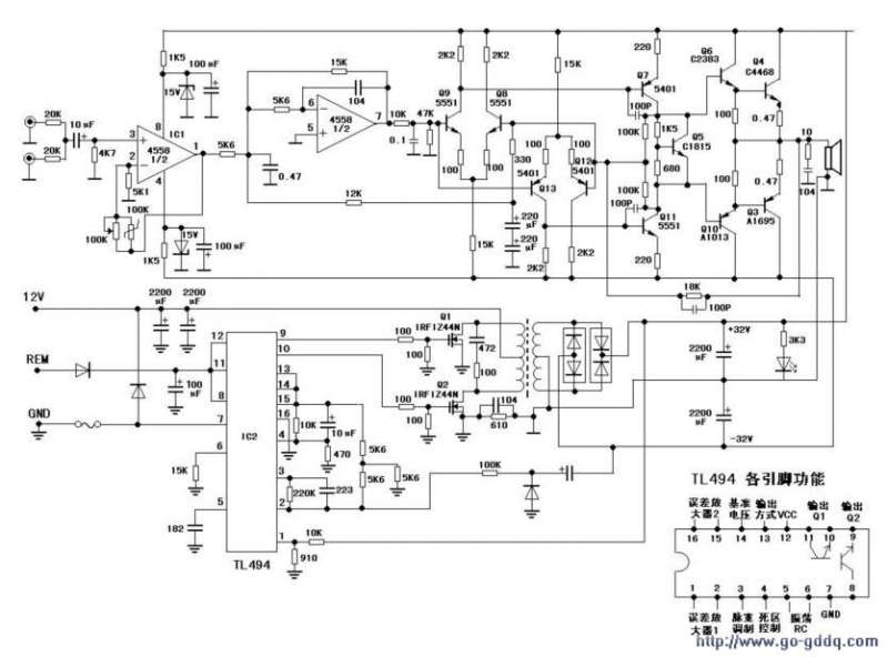
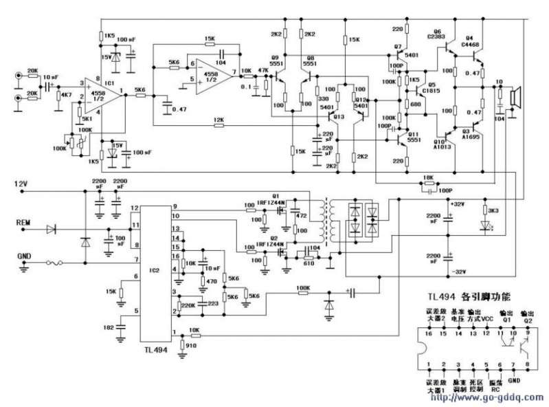
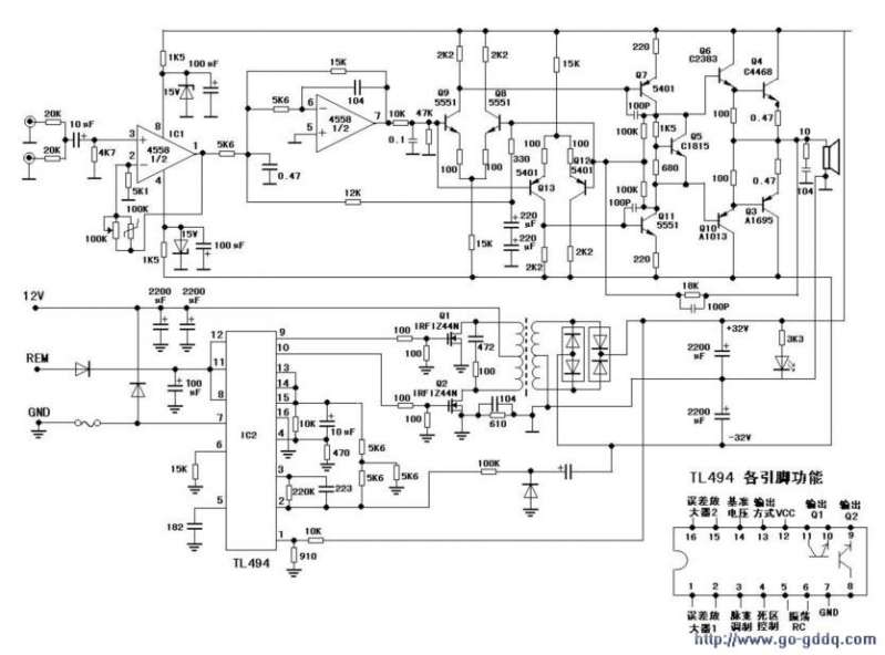
12V升压电源功放电路图(供参考)看出电源的地(电池组负极GND)与功放的地(开关变压器中心头)并不是一个地,公用电池组,一定会产生很大的嗡声。
11052011207520.jpg
温馨提示: 发帖标题请概括内容,回帖请勿使用无意义字符或纯表情。积极参与发帖回帖交流能提高会员等级(提升下载权限)
回复

使用道具 举报

您需要登录后才可以回帖 登录 | 注册

本版积分规则

关闭

站长推荐上一条 /2 下一条

微信公众号|领红包|举报|黑屋|手机|Archiver|官方QQ群:777694204|键盘中国 ( 粤ICP备19059169号-1 )

GMT+8, 2025-12-14 06:55 , Processed in 0.093921 second(s), 39 queries .

Powered by Discuz! X3.4

Copyright © 2001-2020, Tencent Cloud.

快速回复 返回顶部 返回列表